Für die DXF-Dateien
klicken Sie bitte auf die entsprechende Baugröße!
 |
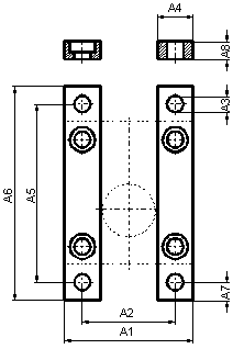
Baugröße |
Maße in mm |
Gewicht (kg) |
| A1 |
A2 |
A3 |
A4 |
A5 |
A6 |
A7 |
A8 |
| M0 |
50 |
38 |
6,5 |
12 |
75 |
90 |
7,5 |
10 |
0,1 |
| M1 |
72 |
52 |
8,5 |
20 |
100 |
120 |
10 |
10 |
0,3 |
| M2 |
85 |
63 |
8,5 |
20 |
120 |
140 |
10 |
10 |
0,4 |
| M3 |
105 |
81 |
11 |
25 |
150 |
170 |
10 |
12 |
0,8 |
| M4 |
145 |
115 |
13,5 |
30 |
204 |
230 |
13 |
16 |
1,7 |
| M5 |
171 |
131 |
22 |
40 |
236 |
270 |
17 |
25 |
3,9 |
| J1 |
205 |
155 |
26 |
50 |
250 |
290 |
20 |
30 |
5,8 |
| J2 |
230 |
170 |
32 |
65 |
290 |
340 |
25 |
40 |
10,0 |
| J3 |
230 |
170 |
32 |
65 |
290 |
340 |
25 |
40 |
10,0 |
| J4 |
270 |
190 |
39 |
80 |
350 |
410 |
30 |
50 |
20,8 |
| J5 |
330 |
230 |
45 |
100 |
430 |
500 |
35 |
60 |
34,4 |
|