Für die DXF-Dateien
klicken Sie bitte auf die entsprechende Baugröße!
 |
Baugröße |
Maße in mm |
Gewicht (kg) |
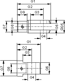
| G1 |
G2 |
G3 |
G4H8 |
G5 |
G6B12 |
G7 |
G8 |
G9 |
G10 |
G11 |
| M0 |
- |
32 |
16 |
8 |
16 |
8 |
- |
M8 |
12 |
42 |
14 |
0,04 |
| M1 |
- |
48 |
24 |
12 |
24 |
12 |
- |
M12 |
18 |
61 |
20 |
0,13 |
| M2 |
- |
56 |
28 |
14 |
27 |
14 |
- |
M14 |
22 |
72 |
24,5 |
0,19 |
| M3 |
- |
80 |
40 |
20 |
40 |
20 |
- |
M20 |
30 |
105 |
34 |
0,8 |
| M4 |
- |
120 |
60 |
30 |
60 |
30 |
- |
M30 |
42 |
160 |
52 |
2,5 |
| M5 |
- |
144 |
72 |
35 |
70 |
36 |
- |
M36 |
54 |
188 |
60 |
3,8 |
| J1 |
120 |
75 |
45 |
40 |
- |
60 |
80 |
M48x2 |
- |
- |
- |
4,8 |
| J2 |
130 |
90 |
50 |
50 |
- |
70 |
100 |
M56x2 |
- |
- |
- |
4,8 |
| J3 |
155 |
105 |
60 |
60 |
- |
80 |
120 |
M64x2 |
- |
- |
- |
8,0 |
| J4 |
220 |
135 |
85 |
80 |
- |
110 |
160 |
M72x2 |
- |
- |
- |
22,5 |
| J5 |
300 |
200 |
100 |
90 |
- |
120 |
170 |
M100x2 |
- |
- |
- |
31,5 |
|