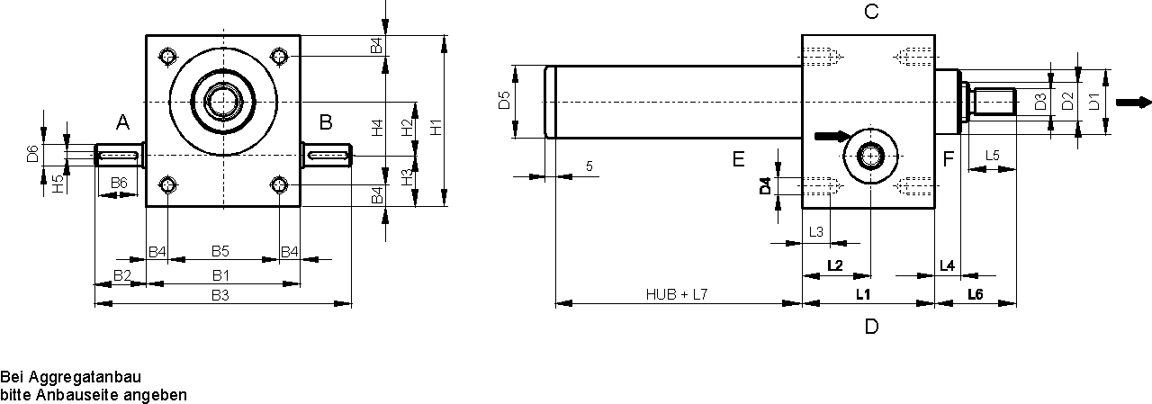
Spindelhubgetriebe Ausführungen "N" und "V"