PAV - Planung, Antriebstechnik, VertiebPAV-Gewindetriebe
Kugelgewindemutter KGM-AZ. -DZ
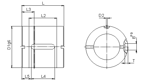
Mehrgängige zylindrische Einzelmutter mit Schmierbohrung und Paßfedernut

 
Gewinderichtung:  Rechtsgewinde (RH)
Abstreifer: aus Vulkollan (Abweisung von Schmutzpartikeln und zur Reduktion des Schmiermittelaustritts)
Die Kugelgewindemutter kann durch Kugelauswahl spielarm eingestellt werden.
Werkstoff: 16 MnCr 5 oder 100 Cr 6
Axialspiel: 0,1 mm


 Tabelle  Zur Homepage