PAV - Planung, Antriebstechnik, VertiebPAV-Gewindetriebe
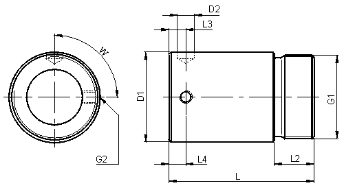
Kugelgewindemutter KGM-AE
Eingängige, zylindrische Einzelmutter mit Schmierbohrung und Einschraubgewinde.


 
Kugellaufbahn: geschliffen Gewinderichtung: Rechtsgewinde (RH)
Abstreifer: aus Vulkollan (Abweisung von Schmutzpartikeln und Reduktion des Schmiermittelaustritts), KGM-AE-16x05-RH ohne Abstreifer, ab KGM-AE-20x05-RH mit Abstreifer. Die Kugelgewindemutter kann durch Kugelauswahl spielarm eingestellt werden.
Werkstoff der Mutter:  16MnCr 5 oder 100 Cr 6
Axialspiel: bei Steigung P5 = 0,05 mm bei Steigung P10 = 0,10 mm

 Tabelle  Zur Homepage  DXF-Dateien downloaden (selbstentpackend)
 DWG-Datei downloaden  (selbstentpackend)