PAV - Planung, Antriebstechnik, VertiebPAV-Gewindetriebe
Kugelgewindemutter KGM-IZ
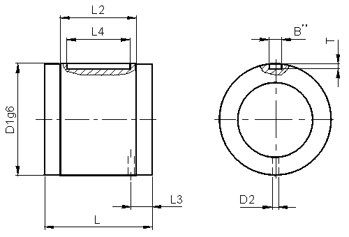
Eingängige, zylindrische Einzelmutter mit Schmierbohrung und Paßfedernut
Gewinderichtung:  Rechtsgewinde (RH)
Abstreifer: aus Nylon (Abweisung von Schmutzpartikeln und zur Reduktion des Schmiermittelaustritts)
Die Kugelgewindemutter kann durch Kugelauswahl spielarm eingestellt werden.
Werkstoff: 20MnCr5
Axialspiel: bei Steigung P5 = 0,08mm bei Steigung P10 = 0,14mm

 Tabelle  Zur Homepage  DXF-Dateien downloaden (selbstentpackend)
 DWG-Datei downloaden  (selbstentpackend)