PAV - Planung, Antriebstechnik, VertiebPAV-Gewindetriebe
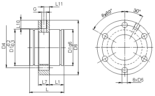
Kugelgewindemutter KGM-IF
Mehrgängige Flansch-Einzelmutter mit Schmierbohrung und Befestigungsbohrung
Gewinderichtung:  Rechtsgewinde (RH)
Abstreifer: aus Nylon (Abweisung von Schmutzpartikeln und zur Reduktion des Schmiermittelaustritts)
Die Kugelgewindemutter kann durch Kugelauswahl spielarm eingestellt werden.
Werkstoff: 20MnCr 5
Axialspiel: 0,14mm


 Tabelle  Zur Homepage  DXF-Dateien downloaden (selbstentpackend)
 DWG-Datei downloaden  (selbstentpackend)